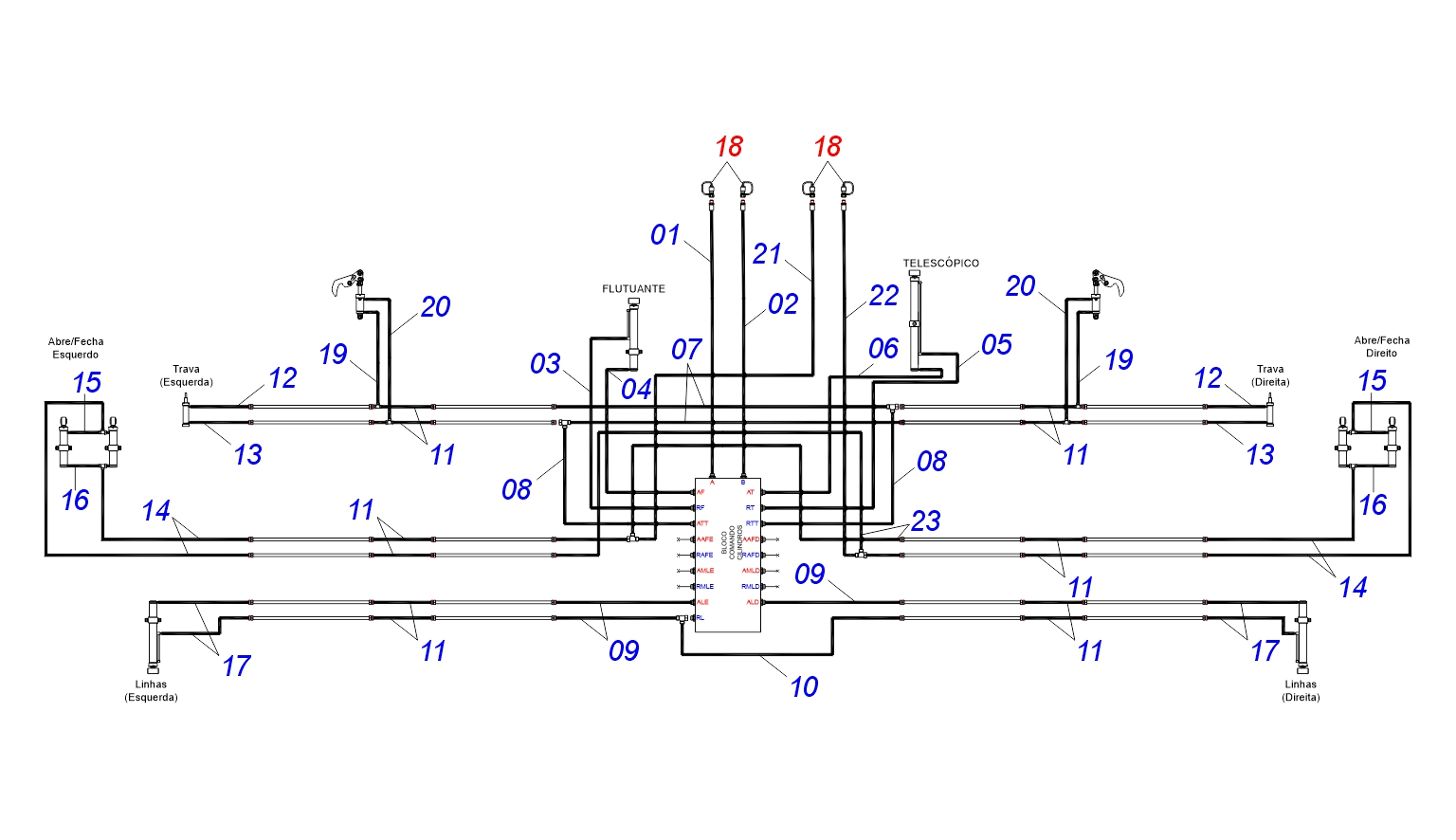
| ARTÍCULO | CÓDIGO | DESCRIPCIÓN | QT |
|---|
| 01 | 0541058483 | | 01 |
| 02 | 0541058484 | | 01 |
| 03 | 0501082962 | MANGUERA 3/8 X 3700 FG TB12L X FG C90 TB12L | 01 |
| 04 | 0501083278 | MANGUERA 3/8 X 3500 FG TB12L X FG C90 TB12L | 01 |
| 05 | 0501082881 | MANGUERA 3/8 X 1000 FG TB12L X FG C90 TB12L | 01 |
| 06 | 0501082882 | MANGUERA 3/8 X 900 FG TB12L X FG C90 TB12L | 01 |
| 07 | 0501083307 | | 02 |
| 08 | 0501083120 | MANGUERA 3/8 X 2400 | 02 |
| 09 | 0501083190 | MANGUERA 3/8 X 2250 FG TB12L X FG C90 TB12L | 03 |
| 10 | 0501082947 | MANGUERA 3/8 X 2300 FG TB12L X FG C90 TB12L | 01 |
| 11 | 0501083080 | MANGUERA 3/8 X 700 FG TB12L X FG TB12L | 12 |
| 12 | 0501082971 | MANGUERA 3/8 X 800 FG TB12L X FG C90 TB12L | 02 |
| 13 | 0501083081 | MANGUERA 3/8 X 800 FG TB12L X FG TB12L | 02 |
| 14 | 0501082955 | MANGUERA 3/8 X 1600 FG TB12L X FG C90 TB12L | 04 |
| 15 | 0501082952 | MANGUERA 3/8 X 700 FG TB12L X FG C90 TB12L | 02 |
| 16 | 0501082994 | MANGUERA 3/8 X 800 FG TB12L X FG C90 TB12L | 02 |
| 17 | 0501083436 | | 04 |
| 18 | 0501053834 | ACOPLAMIENTO RAPIDO MACHO | 04 |
| 19 | 0501082957 | MANGUERA 3/8 X 1300 FG TB12L X FG C90 TB12L | 02 |
| 20 | 0501082945 | MANGUERA 3/8 X 1200 FG TB12L X FG C90 TB12L | 02 |
| 21 | 0551050051 | | 01 |
| 22 | 0551050052 | | 01 |
| 23 | 0501082952 | MANGUERA 3/8 X 700 FG TB12L X FG C90 TB12L | 02 |