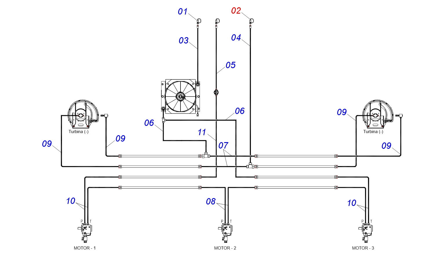
- 0541058300

| ARTÍCULO | CÓDIGO | DESCRIPCIÓN | QT |
|---|---|---|---|
| 01 | 0503015276 | MACHO ENGANCHE RAP | 01 |
| 02 | 0501053834 | ACOPLAMIENTO RAPIDO MACHO | 02 |
| 03 | 0541058327 | 01 | |
| 04 | 0541058329 | 01 | |
| 05 | 0541058330 | 01 | |
| 06 | 0501083199 | 02 | |
| 07 | 0501083490 | 02 | |
| 08 | 0501082994 | MANGUERA 3/8 X 800 FG TB12L X FG C90 TB12L | 02 |
| 09 | 0501082892 | MANGUERA 3/8 X 2700 FG TB12L X FG C90 TB12L | 04 |
| 10 | 0501082945 | MANGUERA 3/8 X 1200 FG TB12L X FG C90 TB12L | 04 |
| 11 | 0501083616 | 01 |