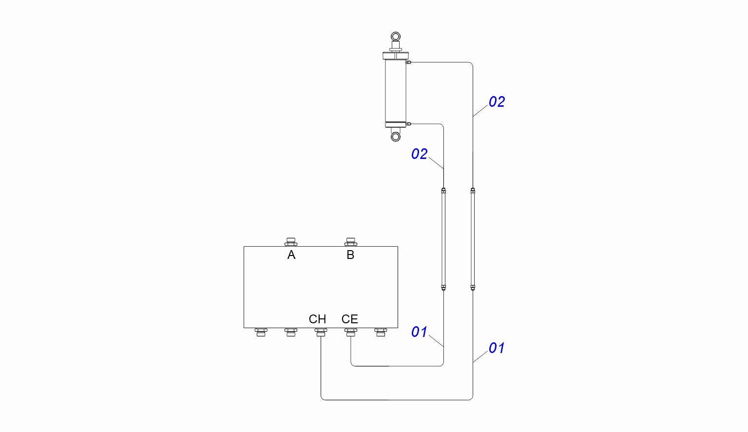
JOGO MANGUEIRA PANTOGRAFICO - 0541059925

| ITEM | CÓDIGO | DENOMINAÇÃO | QT |
|---|---|---|---|
| 01 | 0501082939 | MANGUEIRA 3/8 X 1320 FG TB12L X FG C90 TB12L | 02 |
| 02 | 0501082985 | MANGUEIRA 3/8 X 6500 FG TB12L X FG TB12L | 02 |

| ITEM | CÓDIGO | DENOMINAÇÃO | QT |
|---|---|---|---|
| 01 | 0501082939 | MANGUEIRA 3/8 X 1320 FG TB12L X FG C90 TB12L | 02 |
| 02 | 0501082985 | MANGUEIRA 3/8 X 6500 FG TB12L X FG TB12L | 02 |