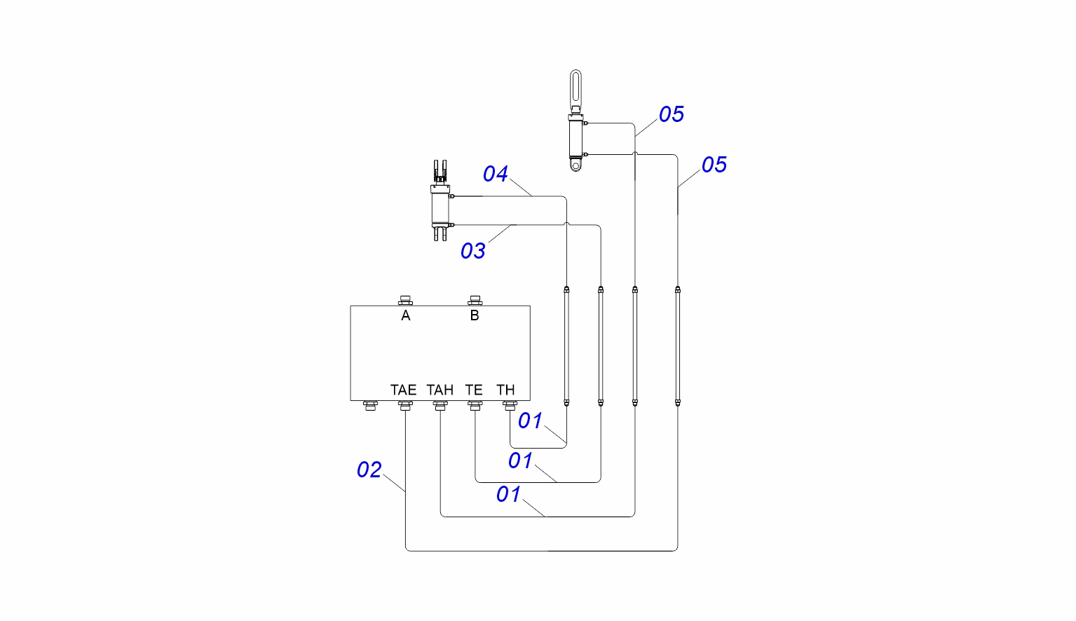
JOGO MANGUEIRA TRAVAS - 0541059923

| ITEM | CÓDIGO | DENOMINAÇÃO | QT |
|---|---|---|---|
| 01 | 0501082939 | MANGUEIRA 3/8 X 1320 FG TB12L X FG C90 TB12L | 03 |
| 02 | 0501082940 | MANGUEIRA 3/8 X 1220 FG TB12L X FG C90 TB12L | 01 |
| 03 | 0501082941 | MANGUEIRA 3/8 X 520 FG TB12L X FG C90 TB12L | 01 |
| 04 | 0501082942 | MANGUEIRA 3/8 X 450 FG TB12L X FG C90 TB12L | 01 |
| 05 | 0501082984 | MANGUEIRA 3/8 X 7000 FG TB12L X FG TB12L | 02 |