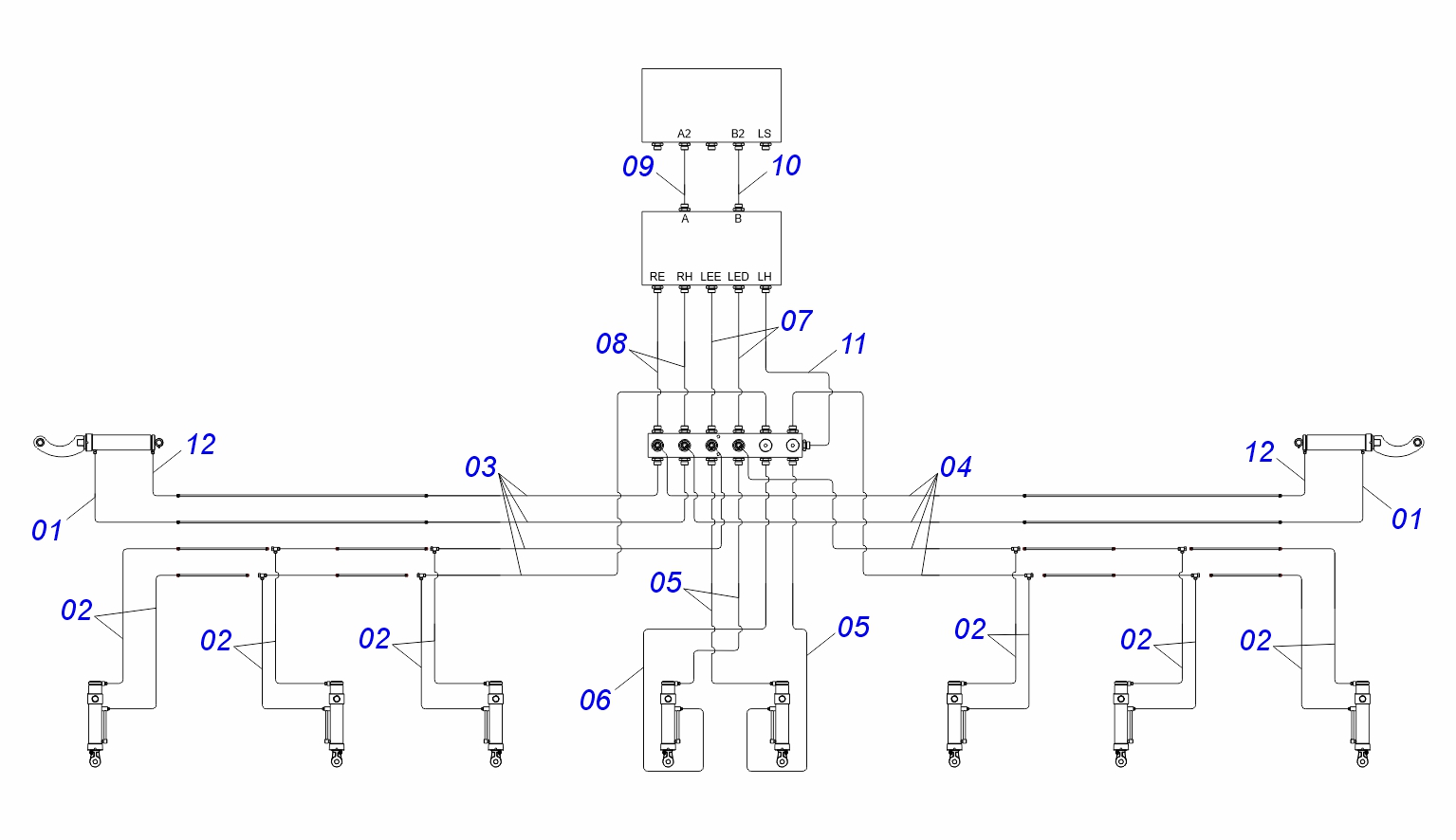
| ITEM | CÓDIGO | DENOMINAÇÃO | QT |
|---|
| 01 | 0501082901 | MANGUEIRA 3/8 X 1150 FG TB12L X FG C90 TB12L | 02 |
| 02 | 0501082952 | MANGUEIRA 3/8 X 700 FG TB12L X FG C90 TB12L | 12 |
| 03 | 0501082953 | MANGUEIRA 3/8 X 3100 FG TB12L X FG C90 TB12L | 04 |
| 04 | 0501082954 | MANGUEIRA 3/8 X 3350 FG TB12L X FG C90 TB12L | 04 |
| 05 | 0501082955 | MANGUEIRA 3/8 X 1600 FG TB12L X FG C90 TB12L | 03 |
| 06 | 0501082956 | MANGUEIRA 3/8 X 1700 FG TB12L X FG C90 TB12L | 01 |
| 07 | 0501082957 | MANGUEIRA 3/8 X 1300 FG TB12L X FG C90 TB12L | 02 |
| 08 | 0501082890 | MANGUEIRA 3/8 X 1250 FG TB12L X FG C90 TB12L | 02 |
| 09 | 0501082958 | MANGUEIRA 1/2 X 1050 FG TB15 X FG C90 TB15 | 01 |
| 10 | 0501082959 | MANGUEIRA 1/2 X 870 FG TB15 X FG C90 TB15 | 01 |
| 11 | 0501082972 | MANGUEIRA 1/2 X 1250 FG TB15 X FG C90 TB15 | 01 |
| 12 | 0501083080 | MANGUEIRA 3/8 X 700 FG TB12L X FG TB12L | 02 |