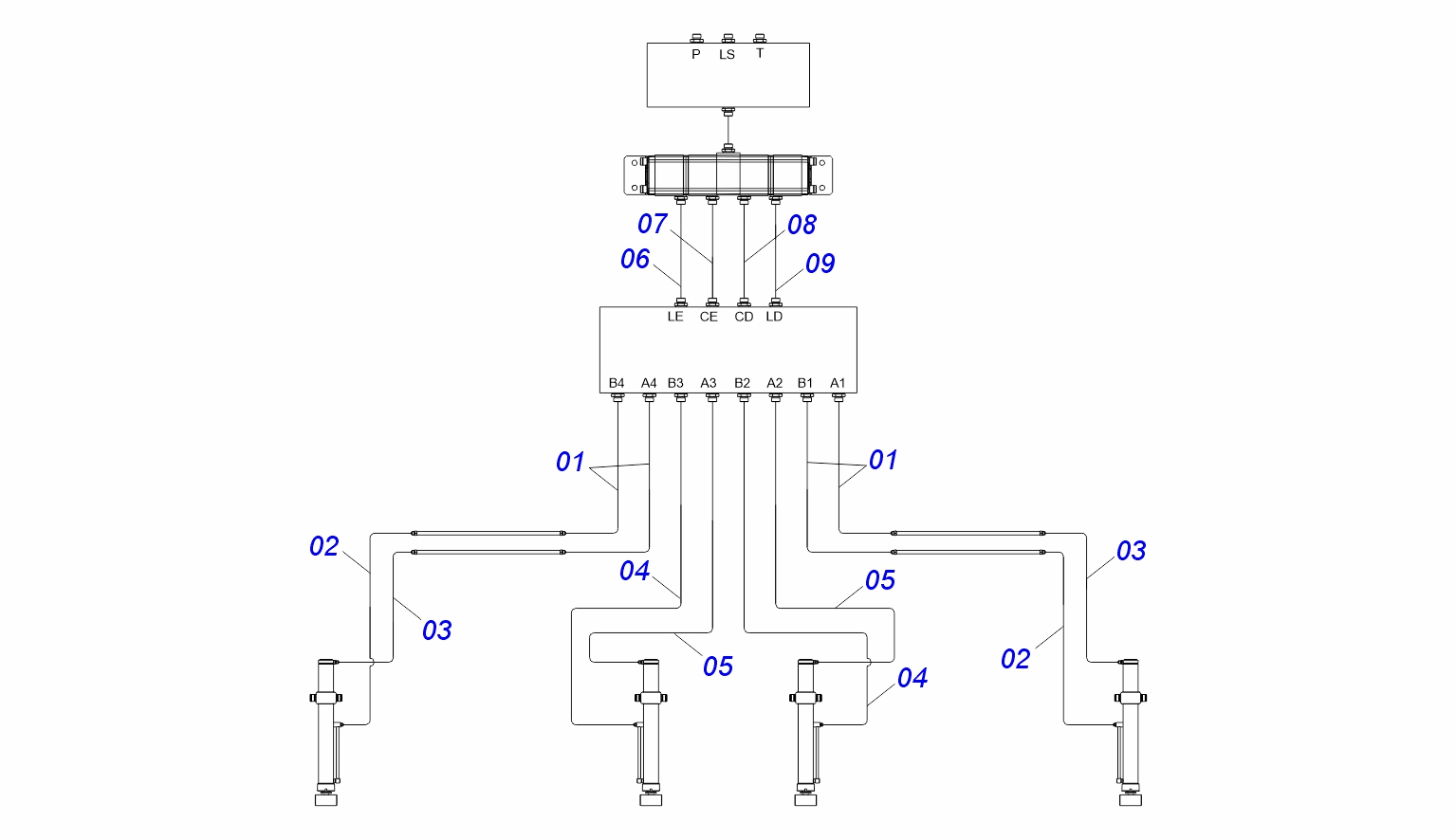
| ITEM | CÓDIGO | DENOMINAÇÃO | QT |
|---|
| 01 | 0501082946 | MANGUEIRA 3/8 X 2650 FG TB12L X FG TB12L | 04 |
| 02 | 0501082947 | MANGUEIRA 3/8 X 2300 FG TB12L X FG C90 TB12L | 02 |
| 03 | 0501082892 | MANGUEIRA 3/8 X 2700 FG TB12L X FG C90 TB12L | 02 |
| 04 | 0501082887 | MANGUEIRA 3/8 X 1350 FG TB12L X FG C90 TB12L | 02 |
| 05 | 0501082948 | MANGUEIRA 3/8 X 1100 FG TB12L X FG TB12L | 02 |
| 06 | 0501082900 | MANGUEIRA 3/8 X 650 FG TB12L X FG C90 TB12L | 01 |
| 07 | 0501082949 | MANGUEIRA 3/8 X 580 FG TB12L X FG C90 TB12L | 01 |
| 08 | 0501082950 | MANGUEIRA 3/8 X 530 FG TB12L X FG C90 TB12L | 01 |
| 09 | 0501082883 | MANGUEIRA 3/8 X 470 FG TB12L X FG C90 TB12L | 01 |