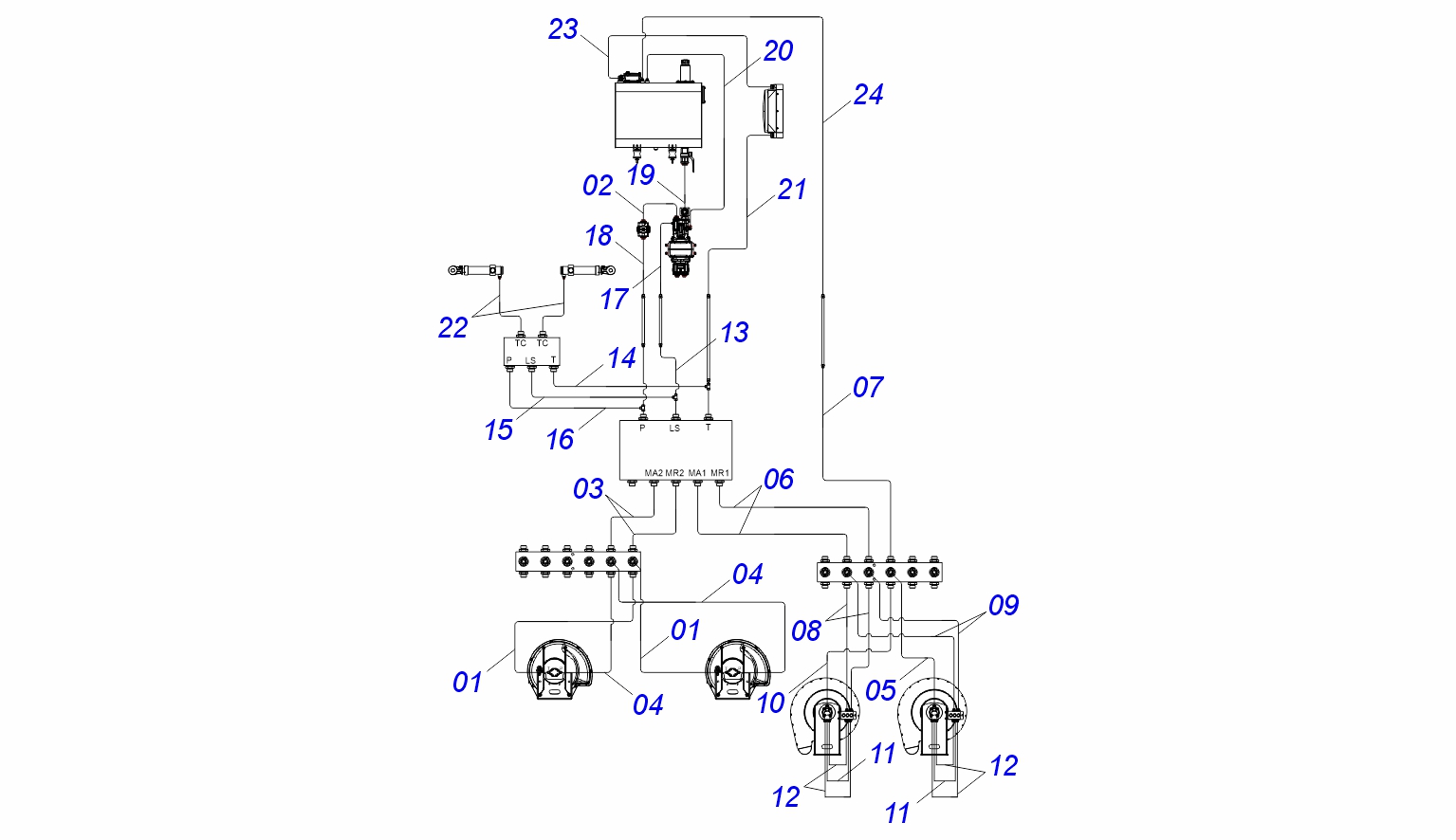
| ITEM | CÓDIGO | DENOMINAÇÃO | QT |
|---|
| 01 | 0501082956 | MANGUEIRA 3/8 X 1700 FG TB12L X FG C90 TB12L | 02 |
| 02 | 0501083448 | MANGUEIRA HIDRAULICA 1 X 1900 FG TB28 X FG C90 TB28 C/MOLA | 01 |
| 03 | 0501082909 | MANGUEIRA 3/8 X 2100 FG TB12L X FG C90 TB12L | 02 |
| 04 | 0501082961 | MANGUEIRA 3/8 X 1900 FG TB12L X FG C90 TB12L | 02 |
| 05 | 0501083278 | MANGUEIRA 3/8 X 3500 FG TB12L X FG C90 TB12L | 01 |
| 06 | 0501082877 | MANGUEIRA 1/2 X 1700 FG TB15 X FG C90 TB15 | 02 |
| 07 | 0501083028 | MANGUEIRA 3/8 X 2000 FG TB12L X FG C90 TB12L | 01 |
| 08 | 0501083068 | MANGUEIRA 1/2 X 3000 | 02 |
| 09 | 0501083277 | MANGUEIRA 1/2 X 3500 FG TB15 X FG C90 TB15 | 02 |
| 10 | 0501082893 | MANGUEIRA 3/8 X 3000 FG TB12L X FG C90 TB12L | 01 |
| 11 | 0501082918 | MANGUEIRA 1/4 X 500 FG TB10L X FG TB10L | 02 |
| 12 | 0501082919 | MANGUEIRA 1/2 X 500 FG TB15 X FG TB15 | 04 |
| 13 | 0501082963 | MANGUEIRA 1/4 X 530 FG TB10L X FG C90 TB10L | 01 |
| 14 | 0501082971 | MANGUEIRA 3/8 X 800 FG TB12L X FG C90 TB12L | 01 |
| 15 | 0501082974 | MANGUEIRA 1/4 X 430 FG TB10L X FG C90 TB10L | 01 |
| 16 | 0501082900 | MANGUEIRA 3/8 X 650 FG TB12L X FG C90 TB12L | 01 |
| 17 | 0501082978 | MANGUEIRA 1/4 X 8500 FG TB10L X FG C90 TB10L | 01 |
| 18 | 0501083447 | MANGUEIRA HIDRAULICA 1 X 6200 FG TB28 X FG C90 TB28 | 01 |
| 19 | 0501082917 | MANGUEIRA 2 X 1400 ABRAC X ABRACADEIRA COM MOLA | 01 |
| 20 | 0501082966 | MANGUEIRA 1/2 X 3600 FG TB15 X FG C90 TB15 | 01 |
| 21 | 0501082981 | MANGUEIRA 1 X 6900 FG TB28 X FG TB28 | 01 |
| 22 | 0501082970 | MANGUEIRA 3/8 X 3400 FG TB12L X FG C90 TB12L | 02 |
| 23 | 0501082982 | MANGUEIRA 1.1/4 X 1100 FG TB35 X FG TB35 | 01 |
| 24 | 0501082967 | MANGUEIRA 3/8 X 6400 FG TB12L X FG C90 TB12L | 01 |