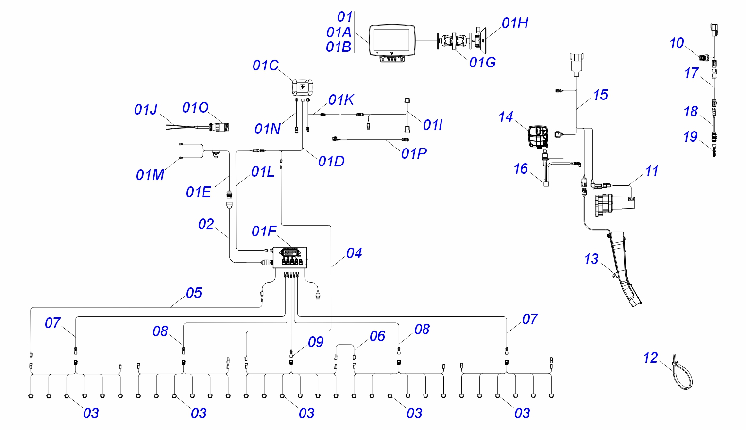
| ITEM | CÓDIGO | DENOMINAÇÃO | QT |
|---|
| 01 | 0531057126 | KIT CABINE SEEDSENSE GEN3 - VDRIVE SEM ANTENA | 01 |
| 01A | 0503063047 | KIT MONITOR 20/20 GEN3 725101 | 01 |
| 01B | 0503019536 | MODULO CCM3 725103 | 01 |
| 01C | 0503063204 | KIT BASE MODULO DISPLAY 725105 | 01 |
| 01D | 0503019759 | CHICOTE CAN SENSOR DBM GEN3 ACIMA 32 LINHAS 725154 | 01 |
| 01E | 0513013865 | CHICOTE BATERIA TRATOR | 01 |
| 01F | 0503017973 | MODULO DISTRIBUIDOR ENERGIA (PDM) 729180 | 01 |
| 01G | 0503016452 | SUPORTE FIXACAO AG500 TRIMBLE 61958 | 01 |
| 01H | 0503016234 | VENTOSA FIXACAO TRIMBLE 91357-AG | 01 |
| 01I | 0503019424 | CHICOTE JD STARFIRE GPS SAIDA SERIAL AGR 020012225 | 01 |
| 01J | 0503018055 | CHICOTE ADAPTADOR MONITOR COLHEITA TRIMBLE FMX/CFX 727131 | 01 |
| 01K | 0513011194 | CHICOTE ADAPTADOR TRIMBLE GFX PP-727068 | 01 |
| 01L | 0513011695 | CABO ADAPTADOR CHICOTE 727068 P/TRATOR VALTRA 5695.2 | 01 |
| 01M | 0503018098 | CHICOTE BATERIA 3 PINOS REDONDOS 725254 | 01 |
| 01N | 0503017986 | CHICOTE BATERIA PARA TOMADA JD 725270 | 01 |
| 01O | 0513012252 | ADAPTADOR TOMADA DIN EUROPEIA 725719 | 01 |
| 01P | 0503018653 | CHICOTE ADAPTADOR TOPCON C3000 P/ 20/20 PP 020011234 | 01 |
| 02 | 0503065067 | CONJUNTO CONEXAO TRATOR | 01 |
| 03 | 0503017991 | CHICOTE PRINCIPAL SRM - 6 LINHAS 45/55 729466 | 05 |
| 04 | 0503018084 | CABO EXTENSAO CAN SRM 729146 - 18,30MTS | 01 |
| 05 | 0503018083 | CABO EXTENSAO CAN SRM 729139 - 15,20MTS | 01 |
| 06 | 0503018081 | CABO EXTENSAO CAN SRM 729138 - 12,00MTS | 01 |
| 07 | 0503018087 | CABO EXTENSAO APEX 729154 - 15,20MTS | 02 |
| 08 | 0503018086 | CABO EXTENSAO APEX 729153 - 10,60MTS | 02 |
| 09 | 0503017996 | CABO EXTENSAO APEX 729151 - 4,50MTS | 01 |
| 10 | 0513010031 | CABO EXTERNO LEVANTE PSS-X1005B CAN-5M | 01 |
| 11 | 0503062431 | MOTOR ELETRICO VDRIVE 730050 | 30 |
| 12 | 0503016033 | ABRACADEIRA NYLON 4,8X1,3X300 MM 10101367 | 300 |
| 13 | 0503019776 | TUBO SEMENTE COM SENSOR WAVE VISION | 30 |
| 14 | 0503019755 | MODULO UNITARIO LINHA SRM 3 COM HARDWARE 729551 | 30 |
| 15 | 0503017975 | CHICOTE SRM LINHA 729021 | 30 |
| 16 | 0513010275 | SENSOR VACUO PP725905 | 03 |
| 17 | 0513011769 | ADAPTADOR EXTERNO LEVANTE PSS-X1005B CAN - 5690.3 | 01 |
| 18 | 0503018774 | SENSOR MAGNETICO COLHEDORA CANAL LH7.4.000271 | 01 |
| 19 | 0503018775 | ATUADOR MAGNETICO LH7.4.000091 | 01 |