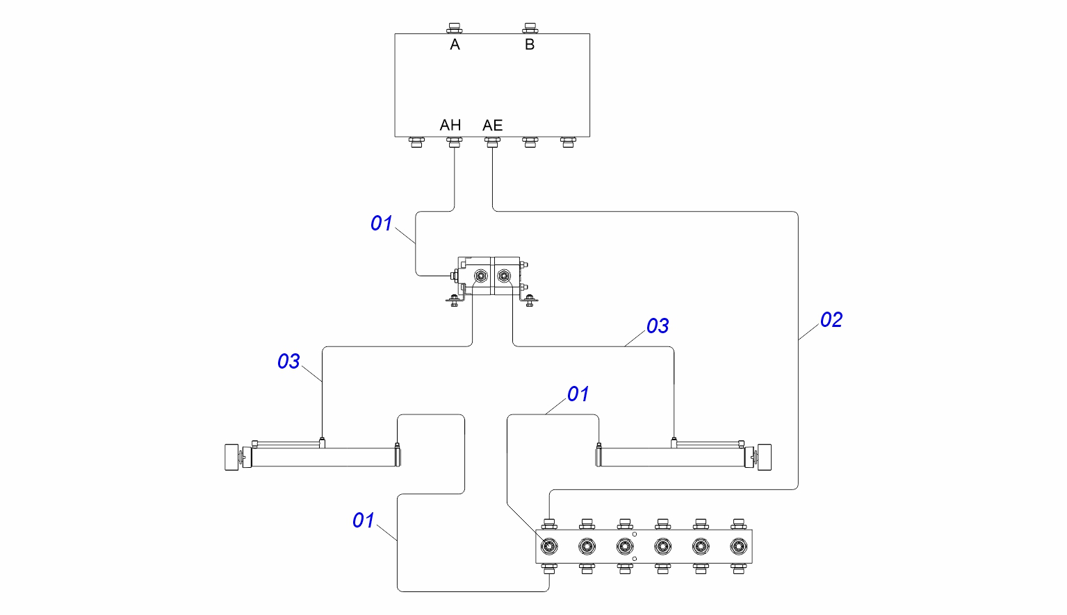
JOGO MANGUEIRA ABRE/FECHA - 0541054267

| ITEM | CÓDIGO | DENOMINAÇÃO | QT |
|---|---|---|---|
| 01 | 0501082899 | MANGUEIRA 3/8 X 1100 FG TB12L X FG C90 TB12L | 03 |
| 02 | 0501082890 | MANGUEIRA 3/8 X 1250 FG TB12L X FG C90 TB12L | 01 |
| 03 | 0501082945 | MANGUEIRA 3/8 X 1200 FG TB12L X FG C90 TB12L | 02 |