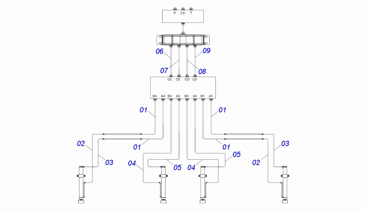
JOGO MANGUEIRA LEVANTE - 0541054265

Folha
ITEMCÓDIGODENOMINAÇÃOQT
01 0501082946 MANGUEIRA 3/8 X 2650 FG TB12L X FG TB12L 04
02 0501082947 MANGUEIRA 3/8 X 2300 FG TB12L X FG C90 TB12L 02
03 0501082892 MANGUEIRA 3/8 X 2700 FG TB12L X FG C90 TB12L 02
04 0501082887 MANGUEIRA 3/8 X 1350 FG TB12L X FG C90 TB12L 02
05 0501082948 MANGUEIRA 3/8 X 1100 FG TB12L X FG TB12L 02
06 0501082900 MANGUEIRA 3/8 X 650 FG TB12L X FG C90 TB12L 01
07 0501082949 MANGUEIRA 3/8 X 580 FG TB12L X FG C90 TB12L 01
08 0501082950 MANGUEIRA 3/8 X 530 FG TB12L X FG C90 TB12L 01
09 0501082883 MANGUEIRA 3/8 X 470 FG TB12L X FG C90 TB12L 01